Tratamiento químico Hydrex para torres de enfriamiento

Tratamiento químico Hydrex para torres de enfriamiento

| El Cliente

Empresa con más de 150 años en el Mercado de fabricación de Levaduras y presencia en más de 100 países siendo líder en el Mercado. 

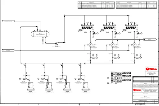
La planta ubicada en Cuitlahuac Veracruz, cuenta con un sistema de enfriamiento con un volumen total de 850 m³ y 4000 m³/hr de recirculación. Este sistema Ofrece Servicio a 8 Intercambiadores de calor de placa de acero inoxidable.

| Necesidades del cliente

El anterior proveedor de tratamiento químico para torres basó el programa de dosificación de químicos a topar la sílice a 180 ppm  en el agua de recirculación, basado en la calidad de agua de alimentación con hasta 100 ppm de sílice, los ciclos de concentración no rebasaban los 1.8 CC. por lo cual la purga de la torre era de 800 a 850 m³/dia.  Aunado a este punto, el ensuciamiento entre las placas del intercambiador de calor, obligaba a realizar limpiezas y cambios de sellos en los intercambiadores cada 3 meses.
Con respecto a generación de vapor se tienen 3 Calderas de 800 C.C. anteriormente se utilizaba un sistema de suavización para make up de las calderas. Considerando el retorno de condensados los ciclos de concentración eran de 6 a 8 máximo.
 

| La solución

Hace 9 años iniciamos una serie de implementaciones técnicas
Programa de tratamiento químico, se diseñó un programa basado en 2 parámetros para control, sílice a 300 ppm de Recirculación y control de la alcalinidad por medio de dosificación de ácido sulfúrico. Con ello se logró tener 3.5 ciclos de concentración reduciendo la purga a 400 - 450 m³ por día, además de minimizar hasta en un 80% el ensuciamiento en los intercambiadores, haciendo limpieza preventiva solo por 1 vez al año.
La segunda implementación fue mejorar la calidad de alimentación colocando un equipo ION SOFT y con ello se aumentó los ciclos de concentración a 5  reduciendo la purga a 180 a 240 m³ por día.
Con respecto a la generación de vapor, se asesoró al cliente para cambiar la calidad de agua de alimentación ahora es proveniente de una RO de Veolia y con ello aumentando los ciclos de concentración de un promedio de 25-30 ciclos de concentración minimizando efectos de incrustación y corrosión, 

Antes 

Después

| DESCRIPCIÓN DEL PROCESO

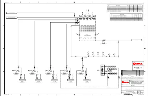
Torres de enfriamiento

Hydrex 7510 - Es un biocida no oxidante a base de Glutaraldehido.

Hydrex 7111 - Biocida a base de hipoclorito de sodio.

Hydrex 2252  Es un surfactante patentado por Veolia.

Hydrex 2851 Químico multifuncional a base de fosfatos y dispersante terpolimerico.

Hydrex 2073 Dispersante para alta sílice patente de Veolia.

Sistemas de generación de vapor

Hydrex 1303 Bisulfito de sodio para secuestrar oxígeno.

Hydrex 1425 Es químico que combina fosfatos con un polímero.

Hydrex 1565 Sosa para ajuste de pH.

Hydrex 1605 Anima Neutralizante.

Sistema RO

Hydrex 4104 es un antiincrustante multifuncional para sistemas de ósmosis inversa.

| LOS BENEFICIOS

Ahorro en consumo de agua por aumento en los ciclos de concentración 400 a 450 m³ por día.
Ahorro de agua y energía por aumento de ciclos de concentración en calderas.
Ahorro al aumentar la vida útil de las membranas y al aumentar el tiempo entre limpiezas del equipo.
Minimizar efectos de incrustación o corrosión en los sistema de enfriamiento y generación de vapor.
Control de crecimiento microbiológico.
Cálculo de dosis recomendadas para cumplir con el proceso.
Confiabilidad en el proceso de entrega del producto.
Programas de limpieza para asegurar la vida útil de membranas y equipos.
Asegurar el funcionamiento continuo de la unidad.

Y si ¿pudieras hacer lo mismo?